液氦管路(杜瓦瓶專用)具有高真空保溫性能,管路外有保溫隔熱層有效真空隔熱,針對液氦杜瓦罐特殊輸出要求設計,定制設計管路可根據尺寸和連接方式來定做。材質選中不銹鋼或合金材料,確保管路在低溫下不會出現脆化斷裂。
液氦管路可以定制帶編織物或不帶編織物的外殼,不帶編織物更適合室內使用,相反帶編織物的比較適合于工業或室外使用,裝甲外殼可在室外更耐腐蝕。在管路上可以加上不銹鋼管子,用來接閥門或比較小的拐角處理。具體可根據需求定做。
產品特點
U/L/Z/N/P異形管路均可設計
管路尺寸直徑均可定制
自動控制閥門,各種拓展零件
易連接,易拆卸
1h可完成3個100L罐充裝
新一代管路更高的傳輸效率
降低熱損耗,降低氣壓損耗
技術優勢
液氦傳輸管路是柔性傳輸管路,可用來高效傳輸低溫液氦,滿足各類實驗室研究到工業生產的灌裝分配液氦需求。
管路有多種配置,可根據客戶要求定制各種尺寸規格,內徑可從1/8″至2″,長長度可達100英尺,滿足客戶不同的需求。
*使用液氦管路從罐內導出液氦到另一個罐
杜瓦罐排放液氦可以通過安裝在管路上部法蘭上的充裝/排放球閥。整個傳輸過程要在真空絕熱管路里進入到冷的真空絕熱容器中。在沒有外部加壓的情況下將液氦從一個罐輸送到另一個罐。

液氦導出導入

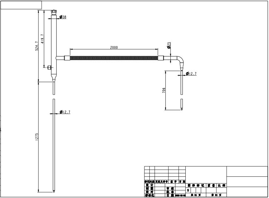
設計平面圖
客戶案例設計


液氦管路設計圖

控制閥
可用于遠程控制斷開液 氦輸送,且保持小的漏熱,并與控制器連接使用
液氦管路案例設計

直管設計

帶截止閥的U型延長管

L型液氦管

帶截止閥的加注軟管